Solutions
Horse Construction offers full range of structural strengthening materials with technical supports, documentation supports, products supports, project supports.
Unidirectional carbon fiber fabric is used for beam and slab flexural reinforcement, and beam, column, wall shear reinforcement, confined concrete for seismic strengthening of columns, also for crack repair and dynamic load member reinforcement, reinforcement and repair.
Unidirectional carbon fiber fabric is used for beam and slab flexural reinforcement, and beam, column, wall shear reinforcement, confined concrete for seismic strengthening of columns, also for crack repair and dynamic load member reinforcement, reinforcement and repair.
Reinforced frame beams with CFRP wrapping

CFRP reinforcement of floor opening

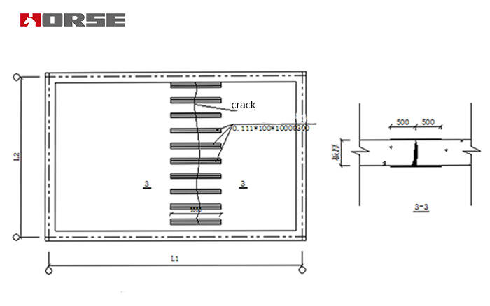
Reinforcement of floor cracks with CFRP fabric

Reinforcement of brick walls with carbon fiber cloth

You can find anything here you are in need of, have a trust trying on these products, you will find the big difference after that.
High strength, unidirectional carbon fiber wrap pre-saturated to form a carbon fiber reinforced polymer (CFRP) wrap used to strengthen structural concrete elements.
Low viscosity, strong penetration carbon fiber primer for reinforced concrete surface to enhace the defect part
Good impregnation carbon fiber adhesive for applying carbon fiber reinforced polymer(CFRP) wrap for structural strengthening